Q4-2021 Updates

 

UPDATES

OBJECTIVES

  • Preparing for IMPEL+ workshop, 04 December 2021

  • Ongoing pre-seed fundraise

  • M.V.P. design process and design charrette

  • Launching Reg CF campaign

 

 

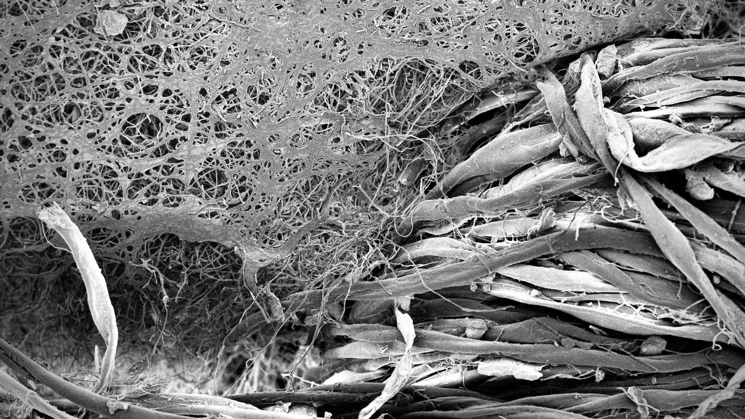
SEM MICROGRAPHS

Our university partner at CU Boulder (Living Materials Laboratory) has provided us with some amazing RD&E capabilities. They help us with developing and conducting structural mechanics and physical properties testing. Some of the most impactful insights have come from the SEM lab. Qualitative validation of our hypothesis can be gleaned from the images. On top of their utility, the images are just fun to look at. There is something really humbling about seeing the multiple interactions between substrate, nutrition, and the mycelium. Here are some of those micrographs:

STATE OF THE ART

SEM Images by Rollin James-Jones and DLA Isabel Popke-Russell at CU Boulder

 

EXPLORING DIVERSE APPLICATIONS

 

We want to make an impact…a HUGE impact!

That is why we are tackling the challenge of developing structural applications for mycocomposites. Can you imagine a world where structures are built without cutting down a single tree? Well, we imagine that world every single day! Concrete, insulation, and timber framing are some of the top drivers of a building’s embodied carbon and we are working toward solutions that can alleviate or eliminate the GWP of these drivers.

  • By far, concrete is the largest contributor to GWP of a structure. While our technology does not address the manufacturing issues that make cementitious concrete so carbon intensive, we are exploring ways that our structural tubes can be used to reduce the volume and mass of concrete by filling large cavities with our material. Articulated concrete bricks made in conjunction with zerø-frm can provide water permeable paving options that not only dramatically reduce the concrete content, but also allow for regeneration of underground aquifers.

  • Insulating foam is one of the best examples of “better than bad is NOT good!” Until a time when insulation foam is not laden with petro chemicals and terrible end-of-life scenarios, we believe that plant and fungus-based alternatives exist and are not only viable, but superior to the incumbent. Our technology is aiming to completely revolutionize pre-fab building techniques by eliminating foam, adhesives, and timber from SIP walls and other pre-fabricated building systems.

  • As a 1:1 replacement for framing timber, headers, and truss systems, zerø-frm is uniquely qualified to provide the most viable option for manufacturers and builders looking to improve their project’s embodied carbon profile.

Can you imagine a world where structures are built without cutting down a single tree?


NON-STRUCTURAL APPLICATIONS

On top of the work we are doing en-route to our first MVPs for the structural applications of zerø-frm, we are discovering innovative ways that variations on our formulation can be useful in surfboards and boat hulls, as well as providing structure for various furniture design and automotive design applications.

In coming editions of this newsletter, we will detail some of the exciting developments and partnerships that are forming.

 

IMPORTANT MILESTONE MET!

 

Our structural engineering partner, Verdant Structural Engineers have provided us with some really great news. The claim of structural mycelium is a very bold claim, a claim that we do not take lightly (pun intended). While there is still some development and testing required to fully validate this claim, our initial calculations are very promising indeed.

We had set a target of Q3 2021 for a go, no-go decision on pursuing structural applications. We met that target and are very excited to begin pushing forward on developing our first MVP project, a SIP wall designed to eliminate foam, adhesive, and timber.

“Through structural calculations based on initial compression and modulus of elasticity testing, the material was found to be sufficient to perform wall stud-like action with similar wall stud-like shapes to resist gravity loading in moderate residential construction conditions. Though increased compression loading due to wind or earthquake forces would exceed the capacity documented in the existing strength tests and require custom design solutions.”

- Anthony Dente, PE, LEED AP
Principal at Verdant Structural Engineers

 

IMPEL+ 2022 COHORT

 

A key aspect of our early stage development is to obtain support from government and private foundation grants. Developing a structural building material requires years of standards testing and validation. We know that bridging those efforts through commercial scalability will be difficult without public financing.

We applied for, and were accepted into the next cohort of innovators for the IMPEL+ program. IMPEL+ is a program administered by the U.S. DOE through the Lawrence Berkeley National Laboratories and the Building Technology Office.

This is a very huge development for us as it provides us with:

  • Workshops designed to help us hone our business case

  • Seminars with innovators and investors in the regenerative technology space

  • Mentoring and lab from scientists at Lawrence Berkeley Lab

  • Access to showcase events where we can pitch our technology

  • and most importantly…providing a pipeline to public and private funding opportunities that would otherwise be difficult to obtain.

We are participating in our first workshop on 04 December, and we look forwarding to keeping you up-to-date on the results of that workshop!

 

 

NEW International PARTNERSHIP

Queen’s University is our latest partnership! Through the Structures Group in the School of Engineering, we are laying the groundwork for some full-scale prototype testing. As we move into MVP development, Queen’s University will provide state-of-the-art testing at scale. Post-doc reseracher, John Kabanda, PhD, P.Eng and Professor Colin MacDougall will be working with us to coordinate testing regimes for our SIP wall MVP as well as some of our other structural components. It’s also exciting to be branching out to international partnerships with our neighbor to the north!

 
 

Carbon Leadership Forum Report

 

"Greater potential impact could result from developing structural components made from mycelium. A few small-scale iterations of structural tube and block materials attest to their potential to replace high-impact materials such as structural steel and masonry. Such uses of mycelium are in nascent stages of exploration but show revolutionary potential and thus comprise a focal point for this study. The University of Colorado Boulder and the Endeavour Center are already partnering with [okom wrks] a small start-up, to explore the viability and applications for mycelium-based structural materials." (From Page 20 of the report)

Kriegh, J., Magwood, C., Srubar, W., Lewis, M., Simonen, K. (2021). Transformative Carbon-Storing Materials: Accelerating an Ecosystem Report.


We’re so excited to be a part of the regenerative future of architecture!

 

 

Regulation Crowdfunding

We’re launching a Regulation Crowdfunding campaign soon! We love to tell our story of regenerative design. We also love connecting with people over the hope that comes from envisioning a future where no tree is felled in order to build our homes and businesses.. A core value for okom wrks labs is our commitment to the democratization of regenerative design. The design of the future will not narrowly include only those able to pay premiums for feelgood “eco” solutions. As well, we believe that the ability to invest in regenerative technology should not be the sole domain of the investor class.

Regulation crowdfunding, or Reg CF, is a way to offer non-accredited investors opportunities to invest in early stage technology companies like us, sort of like a kickstarter for equity. Giving everyone access to investment opportunities in impactful startups for as little as $100. We love this direct connection with people, and we know that our business case makes perfect sense to the vast majority of humanity who know that we can’t wait any longer for bla, bla, bla.

We will be launching a Reg CF campaign soon, and if you know someone who would be interested in investing in our company, send them a link to this newsletter!

OUR NEWSLETTER